Seconda parte

Pubblicato: 13 luglio 2012 Categoria: Guide e approfondimenti
Seconda parte
Per la scelta di un interruttore di prossimità induttivo, occorre tenere in considerazione anche le dimensioni e la forma dell’oggetto da rilevare. Di seguito vengono riportati alcuni suggerimenti per correggere la distanza di rilevamento in base alle dimensioni e alla forma dell’oggetto:
  • sono preferibili gli oggetti piatti;
  • gli oggetti arrotondati possono ridurre la distanza operativa;
  • i materiali non ferrosi riducono generalmente la distanza operativa per i modelli sensibili a tutti i metalli;
  • gli oggetti più piccoli della faccia di rilevamento riducono generalmente la distanza operativa;
  • gli oggetti più grandi della faccia di rilevamento possono aumentare la distanza operativa;
  • le lamine possono aumentare la distanza operativa.

La distanza operativa nominale non prende in considerazione le tolleranze di produzione né le variazioni dovute a condizioni esterne, quali la tensione di alimentazione o la temperatura. Valutando questi fattori, la distanza operativa reale di un particolare interruttore può variare anche fino al ±20% rispetto al valore nominale.
I modelli standard disponibili in commercio sono sensibili a tutti i metalli. Esistono però interruttori sensibili solo ai metalli ferrosi (qualsiasi metallo contenente ferro) e, quindi, non sono in grado di rilevare la presenza dell’ottone, dell’alluminio e del rame. Altri modelli, invece, sono sensibili solo ai metalli non ferrosi (qualsiasi metallo che non contiene ferro) e, quindi, non sono in grado di rilevare la presenza dell’acciaio o di acciai inossidabili. La disponibilità di questi modelli può risultare utile qualora si debba rilevare un metallo e ignorare la presenza di un altro (per esempio, il riconoscimento di monete metalliche in una gettoniera per distributori automatici di bevande).
In fase di lavorazione di un pezzo di alluminio, si può impiegare un dispositivo sensibile ai metalli ferrosi per rilevare l’utensile da taglio di acciaio temperato e ignorare il blocco di alluminio e i trucioli dello stesso prodotti durante la lavorazione.
Gli interruttori di prossimità sensibili ai metalli non ferrosi presentano una campo di rilevamento che può arrivare fino al 400% in più rispetto a quello dei modelli per tutti i metalli (standard).

Normalmente non deve essere applicato nessun fattore di correzione, in quanto tutti i materiali non ferrosi vengono rilevati alla distanza operativa nominale massima.
Gli oggetti possono essere rilevati dall’interruttore di prossimità passando di fronte alla sua faccia sensibile attiva (asse di riferimento), oppure avvicinandosi e allontanandosi dalla stessa.Nella maggior parte delle applicazioni, l’affidabilità del sensore risulta maggiore quando l’oggetto passa di fronte alla faccia di rilevamento.Quando si adotta questo tipo di rilevamento, è fondamentale valutare la frequenza di commutazione o la velocità di risposta. Per frequenza di commutazione si intende il tempo previsto per cambiare lo stato dell’uscita dal riposo a commutato.
La frequenza di commutazione è la velocità massima alla quale un sensore invia impulsi singoli all’entrata e all’uscita dell’oggetto da rilevare nel campo di rilevamento. Questo valore dipende sempre dalle dimensioni e dalla velocità dell’oggetto, nonché dalla sua distanza dalla faccia di rilevamento. La frequenza di commutazione indica il numero massimo possibile di commutazioni al secondo (per esempio, 1000 Hz).

Quando l’oggetto si avvicina a un interruttore di prossimità direttamente verso la sua faccia di rilevamento, l’affidabilità del dispositivo può essere aumentata prendendo in considerazione gli effetti dell’isteresi. La differenza fra i punti di attivazione e di disattivazione viene chiamata isteresi o corsa differenziale.
Per la selezione delle posizioni dell’oggetto e dell’interruttore, occorre considerare l’entità della corsa dell’oggetto richiesta per ottenere la disattivazione dopo l’attivazione. L’isteresi è necessaria al fine di evitare il battito (rapida attivazione e disattivazione) quando l’interruttore e/o l’oggetto è sottoposto a urti e vibrazioni. Per evitare tale battito, occorre che l’ampiezza delle vibrazioni sia inferiore all’intervallo dell’isteresi.
Gli interruttori di prossimità induttivi possono essere costruiti per funzionare in corrente continua oppure in corrente alternata ed hanno generalmente l’uscita allo stato solido. I modelli funzionanti in corrente continua possono essere del tipo PNP oppure NPN a seconda del tipo di transistor posto in uscita; di questo occorre tenere conto (polarità) quando si effettuano i collegamenti.

I modelli in corrente alternata hanno normalmente solo due terminali e la configurazione li vede sempre collegati in serie al carico (pena il danneggiamento del dispositivo); i modelli in corrente continua, invece, possono avere 2, 3 o anche 4 terminali, a seconda delle caratteristiche del circuito di uscita (2 e 3 per l’uscita allo stato solido, 4 per l’uscita a relè). Il circuito di uscita può essere del tipo normalmente aperto (NA) oppure normalmente chiuso (NC) o avere entrambi i tipi di uscita; in alcuni modelli è possibile programmare la funzione di uscita (NA o NC) mediante un commutatore inserito nella morsettiera.
Gli interruttori di prossimità incorporano generalmente dei circuiti di protezione contro cortocircuiti, sovraccarichi, inversioni di polarità, picchi di tensione di breve durata e radio disturbi.Per un funzionamento affidabile, la tensione di alimentazione deve essere compresa fra l’80% ed il 115% di quella nominale. Le tensioni nominali sono comprese generalmente entro due gamme, da 12 a 48 V in DC e da 24 a 240 V in AC.

È interessante notare come questi interruttori di prossimità, che sfruttano in uscita le caratteristiche di componenti a semiconduttore come transistor o tiristori, in realtà non si comportino esattamente come gli interruttori elettromeccanici (non c’è l’isolamento galvanico).
Infatti, le stesse norme prevedono per i modelli in DC una tensione residua, misurata ai capi del carico quando l’uscita non è in conduzione, pari al 10% della tensione nominale. Le stesse norme prevedono per i modelli funzionanti in AC una corrente massima residua pari a 15 mA per tensioni inferiori o uguali a 90 V e 7 mA per tensioni nominali superiori fino a 240 V.

Caratteristiche
Corrente continua
Corrente alternata
Carico nominale
4-5 W (24 V)
10-60 VA (110 V)
15-80 VA (220 V)
Carico massimo
3-6 W
200-400 Ω
Carico massimo (spunto)
--
450?700 VA (220 V)
Tensione in uscita con interruttore non azionato
≤ 0,3 V
5 V
Tensione in uscita con interruttore azionato
Un - 0,3 V
Un - 5 V
Frequenza di funzionamento
< 5000 Hz
< 60 Hz
Grado di protezione
IP67
IP67


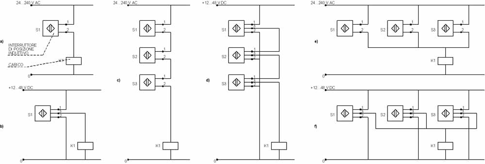
Gli interruttori di prossimità induttivi possono essere collegati in serie fra di loro in modo alquanto limitato a causa della caduta di tensione prodotta da ogni apparecchio. Il collegamento in parallelo è, invece, limitato dal fatto che l’insieme delle correnti residue di ogni apparecchio potrebbe pilotare il carico anche in assenza di interruttori azionati.
Gli apparecchi dotati di tre terminali e funzionanti in DC consentono di collegare in parallelo un numero elevato di interruttori ed un numero minore (ma comunque superiore a quello realizzabile nei modelli funzionanti in AC) di interruttori collegati in serie.

Fig. 10 - Schemi di collegamento di interruttori di prossimità induttivi con uscita allo stato solido tipo PNP (1-2 alimentazione, 3 carico): a) Tipo a due fili in AC con relativo carico (per esempio, relè) - b) Tipo a tre fili in DC con relativo carico - c) Collegamento in serie del tipo a due fili in AC - d) Collegamento in serie del tipo a tre fili in DC - e) Collegamento in parallelo del tipo a due fili in AC - f) Collegamento in parallelo del tipo a tre fili in DC.


Allegati scaricabili
Interruttori di prossimità induttivi

content gallery 1
content gallery 1
content gallery 1
content gallery 1
content gallery 1